小红楼论坛资料大全最新版本更新内 ,一品楼ypl论坛官网2025广州qm论坛 ,一品楼ypl论坛浙江 ,一杯茶论坛全国兼职51一品茶楼

安全·节能防爆电加热导热油炉江苏省「专精特新 」「瞪羚企业 」 国家高新技术企业

服务热线:400-000-9261 咨询电话:151 9595 6304

cn二级页面banner—产品中心3
您的位置: 首页 > 全站搜索

搜索结果

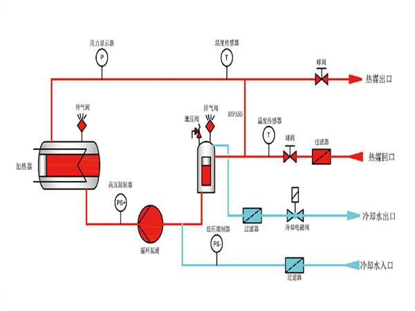
冷热一体机使用需要注意哪些?「欧能机械」图文详解

冷热一体机使用需要注意哪些?「欧能机械」图文详解

冷热一体机使用来看看欧能机械图文详解!冷热一体机通过电加热管/压缩机,可实现对被控温物件进行升温/降温的自动控制。整套设备以电为热源、压缩机来制冷,导热油为载体,利用循环泵强制循环,将能量输送到控温物体进行换热,继而返回重新继续加热/冷却的直流式控温设备。如此周而复始,实现热量的连续传递,使被控温物体温度升高/降低,达到加热/冷却等恒温的工艺要求。